长期运行 稳定可靠
设计紧凑,维护量少
nES 系列设计坚固结构紧凑。噪声级低,振动小,可尽可能地减少对环境的影响。易于维护,生产率高。
低生命周期成本
与其他单级旋片泵相比,高效冷却的电机、优化的机油保持、低泵温、高可靠性和非常低的维护需求提供了出色的生命周期成本。
灵活且易于系统化
nES 系列提供增压泵和组合套件,使您能够构建完整的系统化即用型设备。或者,组合套件连同 nES 泵和 EH 机械增压泵可作为部件套件提供,便于现场组装。
-
工作原理
nES系列设计紧凑,运行清洁,具有高效的集成雾 过滤器、优化的保油性、低噪音和振动水平,可最 大限度地减少对环境的影响,高效冷却电机、低泵 温和最低维护成本提供了出色的生命周期成本。泵 具有高性能和可靠性,确保了最大的生产率。采用 高质量部件和先进的回油系统设计,能在最大限度 地提高工艺效率。
-
技术参数
-
性能图
-
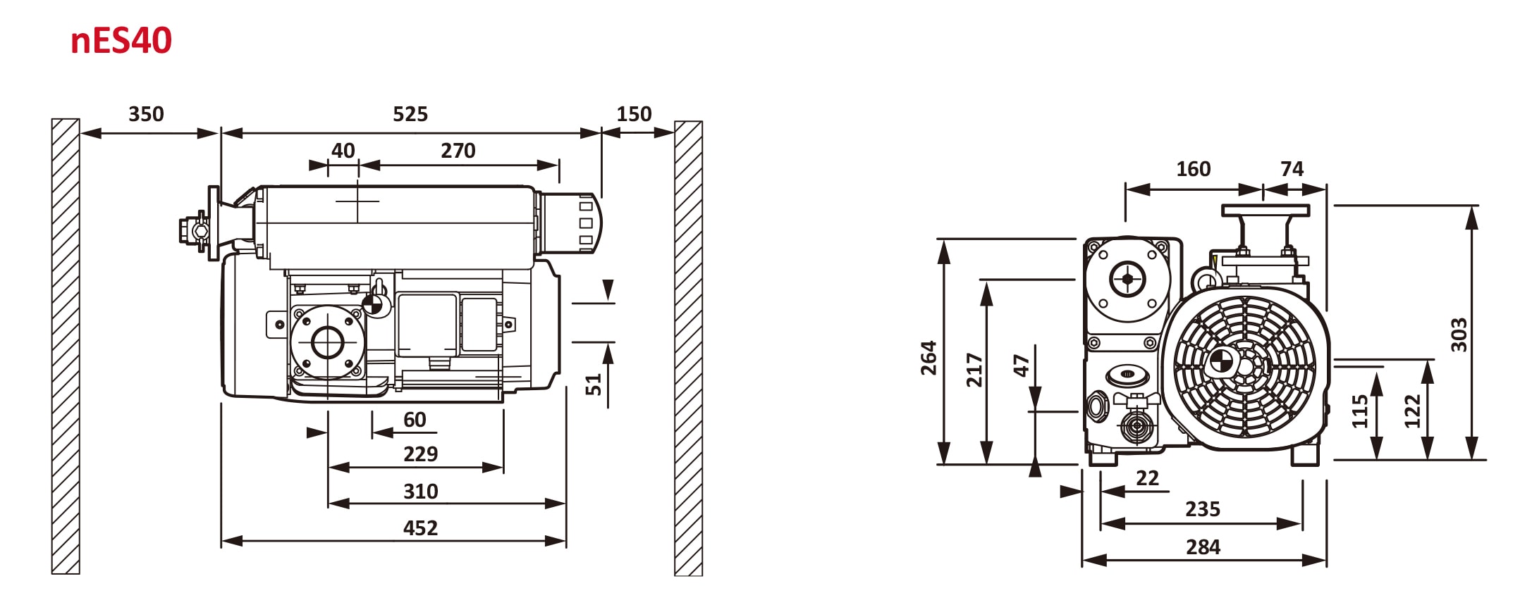
尺寸图
-
行业应用
镀膜
- 玻璃镀膜机的装载锁以及大型在线式镀膜机
- 幅材涂布与辊涂
- 光学镜片
- 眼镜
- 显示器
- 表面镀膜(如等离子体沉积以及反射型或装饰型镀膜)
热处理
- 回火
- 淬火
- 退火
- 真空钎焊
干燥
- 变压器干燥
- 汽车干燥和填充系统
- 制冷与空调
- 电池和电容器干燥
通用工业
- 电子束焊接与等离子焊接
- 等离子表面处理
- 油/树脂脱气
- 沼气处理
- 橡胶、硅胶和复合材料
- 泄漏检测
- 真空吸塑
- 工业天热气生产
- 真空绝热板与玻璃
-
下载






