设计可靠、结构简单
专业性能
- 高泵速可缩短循环时间并提高生产率。
- Hydro 模式可提高蒸汽处理能力,以适合潮湿的应用环境。
- 噪声小,可满足实验室环境的要求。
简单的现代化设计
- 布局简洁的经济型产品。
- 内置机油滤清器可防止泵机构受到污染和漏油。
- 创新的设计可提高冷却性能,保持出色的蒸汽耐受性。
- 没有复杂的机械布置,可保持技术简单化。
出色的可用性
- 满足用户需求的有效产品设计。
- 使用和保养简单便捷。可现场清洁,尽可能延长正常运行时间。
- 高效的过热保护和低油位检测(可选功能)。
- 避免操作员误操作,安全性更高。
-
工作原理
E2S 系列(E2S45、E2S65 和 E2S85)叶片泵使性能、成本和可用性达到理想平衡。设计可靠、结构简单,尤其适合需要中等真空的多种标准应用场所。它可以快速抽空,处理蒸汽,有助于更大限度地降低工作场所的噪声级。E2S 双级旋转式泵和 EH 机械增压器的标准组合可满足高容量需求。这些泵送系统在出厂前已预先装配,结构紧凑、移动方便且易于使用。E2S85-EH1200 可在大气压下直接启动,提供 900 m3/h (@60Hz) 的有效速度,并能够达到较高的真空范围,极限真空为 2×10-4 mbar。
-
技术参数
-
性能图
-
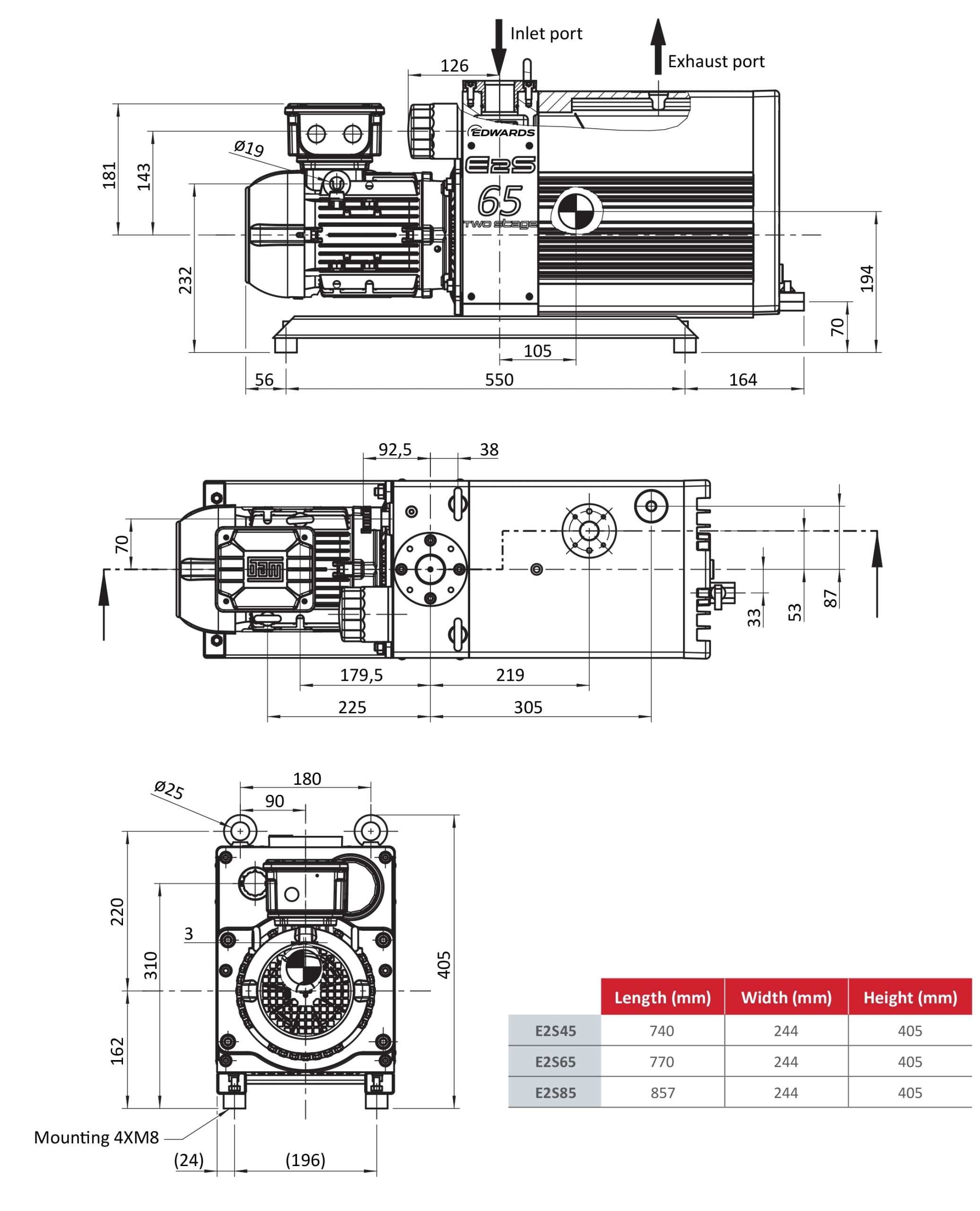
尺寸图
-
行业应用
- 真空脱气和干燥
- 热处理和真空烘箱
- 真空绝缘
- 血浆处理(O2 血浆除外)
- 泄漏测试
- 天然气生产和处理
- 研究与开发
- 高真空泵或系统的支撑
-
下载






